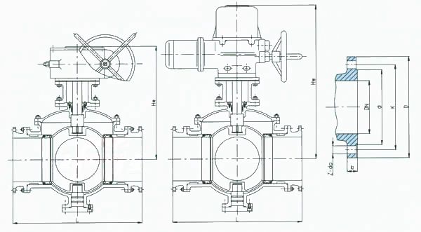
一、電動三通球閥--概述
Q944F/Q945F電動三通球閥可分為L形和T形,L形(Q944F)三通球閥用于介質流向的切換,能使相互垂直的兩個通道連接;T形(Q945F)三通球閥用于介質分流、合流及流向切換。T形三通可以使三個通道相互連通或使其中的兩個通道連通。三通球閥一般采用兩閥座結構,亦可根據用戶要求采用四閥座結構。
試驗壓力 | 公稱壓力(Mpa) |
Mpa | 1.6 | 2.5 | 4.0 | CL150 | JIS10K |
強度試驗 | 2.4 | 3.8 | 6.0 | 3.2 | 2.4 |
密封試驗 | 1.8 | 2.8 | 4.4 | 2.2 | 1.5 |
氣密試驗 | 0.5-0.7 |
工作溫度 | PTFE≤180℃ PPL≤300℃ |
適用溫度 | C:水、油、氣;P:硝酸類;R:醋酸類 |
閥體、閥蓋 | WCB、CF8 |
球體 | WCB+Hcr、CF8 |
閥桿 | 2Cr13、CF8 |
閥座 | PTFE |
填料 | PTFE |
四、電動三通球閥--主要外形尺寸
公稱壓力 | 公稱通徑 | L | L1 | H | W | 重量(kg) |
Mpa | mm | in | mm | mm | mm | mm | 1.6 | 2.5 | 4.0 | CL150 | JIS10K |
1.6 2.5 4.0 CL150 JIS10K | 15 | 1/2 | 130 | 65 | 62 | 100 | 2.5 | 3.0 | 3.5 | 2.5 | 2.5 |
20 | 3/4 | 150 | 75 | 68 | 160 | 3.0 | 3.5 | 4.5 | 3.0 | 3.6 |
25 | 1 | 160 | 80 | 75 | 160 | 4.8 | 5.0 | 6 | 5.0 | 5.0 |
32 | 1 1/4 | 180 | 90 | 85 | 200 | 6.5 | 7 | 8.5 | 7 | 7 |
40 | 1 1/2 | 200 | 100 | 95 | 200 | 8.5 | 9 | 10.5 | 9 | 9 |
50 | 2 | 230 | 115 | 110 | 250 | 11 | 12 | 14 | 12 | 11 |
65 | 2 1/2 | 290 | 145 | 130 | 300 | 15 | 17 | 20 | 16 | 16 |
80 | 3 | 310 | 155 | 155 | 400 | 21 | 22 | 32 | 21 | 22 |
100 | 4 | 350 | 175 | 180 | 500 | 33 | 36 | 50 | 36 | 36 |
125 | 5 | 400 | 200 | 250 | 600 | 65 | 70 | 80 | 68 | 70 |
150 | 6 | 480 | 240 | 275 | 800 | 103 | 110 | 120 | 105 | 105 |
200 | 8 | 580 | 290 | 325 | 1000 | 152 | 168 | 180 | 160 | 160 |


上兆閥門其他產品:
閘 閥 截止閥 球 閥 蝶 閥 緊急切斷閥 電磁閥 水力控制閥 止回閥 刀型閘閥 旋塞閥 過濾器 減壓閥 疏水閥 隔膜閥 調節閥 阻火器 呼吸閥 燃氣閥門 冶金閥門